
適用物料:適用各種物料
價格區間:1000元-50萬之間
處理能力:0.5-200 t/h
產品別名:鬥式提升機
立友機械生產的物料提升機不是建築行業電梯式提升機,是專門針對礦山、煤炭、冶煉、建材、耐火材料、輕工、化工等,大中小塊物料連續垂直提升處理,使用方便,造價便宜,是多數廠家必選提升機械。
立友物料提升機有多種形式,螺旋提升、鬥式提升、帶式提升、鏈板提升,我們的工程師可根據客戶需求,設計出適合您使用的提升機,歡迎你來電谘詢。
立友物料提升機安全規程
1、提升機由指定人員進行維護和管理,電源開關箱的鑰匙由指定人員管理。
2、提升機必須有卷揚限製器和行程限位器,限製器應使滑輪在提升到距離卷筒或滑輪300mm以前時能自動停止。動作靈敏可靠,並進行試吊。
3、提升機應有大負荷標誌,在提升、降落時重量不許超負荷(1T)。
4、送電後,檢查卷揚限製器、行程限位器、聯鎖開關等安全裝置
5、起吊、降落前,鳴鈴示警後,方可開車。
6、提升機決對不允許載人上、下。
7、工作完後,提升機吊盤應落地,然後切斷電源,關好上下護欄門。
8經常保持提升機周圍環境衛生。
立友物料提升機注意事項
1、應空負荷開車。所以每次停機前應排盡所有料鬥內的物料,然後再停車。
2、不能倒轉。倒轉即可能發生鏈條脫軌現象,排除脫軌故障很麻煩。
3、均勻喂料。禁止突然增大喂料量。喂料量不能超過提升機的輸送能力。否則容易造成底部的物料堆積嚴重時發生“悶車”事故。
4、及時適量補充潤滑油。
5、鏈條和料鬥嚴重磨損或損壞時應及時更換。
鬥式提升機型號參數:NE\TD\GTD\HL\TB等型號
| 型號 | 最大給料粒度mm | 料鬥 | 提升高度m | 最大提升能力 (立方米/h) | 電動機功率 提升機重量 | ||
| 鬥距mm | 寬度MM | 容量L | |||||
| TB250 | 90 | 200 | 250 | 3 | 5-40 | 25 | 按具體的垂直鬥式提升機訂貨總圖核計確定 |
| TB315 | 100 | 200 | 315 | 6 | 46 | ||
| TB400 | 110 | 250 | 400 | 12 | 75 | ||
| TB500 | 130 | 320 | 500 | 25 | 95 | ||
| TB630 | 150 | 400 | 630 | 50 | 148 | ||
|
注:表中最大輸送能力是按填充係數ψ-0.8計算得出的,僅供參考。 |
|||||||
螺旋提升機型號參數:GX\ls等型號
| 規 格 | 主要技術性能 | 驅動裝置 | 驅動裝置 |
重量 (kg) |
||||
| 直徑 |
長度 (m) |
產量 (水泥) t/h |
轉速 min-1 |
減速機 | 電動機 | |||
| 型號 | 速比 | 型號 |
功率 (kw) |
|||||
| GX200 | -10 | 9 | 60 | JZQ250 | 23.34 | Y90S-4 | 1.1 | 726 |
| GX200 | -20 | 9 | 60 | JZQ250 | 23.34 | Y90L-4 | 1.5 | 1258 |
| GX250 | -10 | 15.6 | 60 | JZQ250 | 23.34 | Y100L2-4 | 2.2 | 960 |
| GX250 | -20 | 15.6 | 60 | JZQ250 | 23.34 | Y100L1-4 | 3 | 1750 |
| GX300 | -10 | 21.2 | 60 | JZQ350 | 23.34 | Y100L2-4 | 3 | 1373 |
| GX300 | -20 | 21.2 | 60 | JZQ350 | 23.34 | Y112M-4 | 4 | 2346 |
| GX400 | -10 | 51 | 60 | JZQ400 | 23.34 | Y132S-4 | 5.5 | 1911 |
| GX400 | -20 | 51 | 60 | JZQ500 | 23.34 | Y160M-4 | 11 | 2049 |
| GX500 | -10 | 87.5 | 60 | JZQ400 | 23.34 | Y132M-4 | 7.5 | 2381 |
| GX500 | -20 | 87.5 | 60 | JZQ650 | 23.34 | Y180M-4 | 18.5 | 5389 |
| GX600 | -10 | 134.2 | 45 | JZQ750 | 23.34 | Y180L-4 | 22 | 3880 |
| GX600 | -10 | 134.2 | 45 | JZQ850 | 23.34 | Y250M-4 | 55 |
7090 |
垂直振動式提升機型號參數:
| 型號 |
輸送量 (t/h) |
輸送槽直徑 (mm) |
輸送寬度 (mm) |
輸送高度 (m) |
振次 (min) |
雙振幅 (mm) |
電動功率 (kw) |
重量 (kg) |
| DZC300 | ~1.0 | 300 | 77 | ≤2.0 | 960 | 6~7 | 2×0.4 | 680 |
| DZC500 | ~2.0 | 500 | 140 | ≤3.0 | 6~8 | 2×0.75 | 1010 | |
| DZC550 | ~3.0 | 550 | 152 | ≤3.5 | 6~8 | 2×1.5 | 1190 | |
| DZC600 | ~3.0 | 600 | 163 | ≤4.0 | 6~7 | 2×1.5 | 13210 | |
| DZC800 | ~4.0 | 800 | 224 | ≤4.5 | 6~8 | 2×2.2 | 1590 | |
| DZC850 | ~4.0 | 850 | 224 | ≤5.0 | 6~9 | 2×2.2 | 1750 | |
| DZC900 | ~3.5 | 900 | 185 | ≤6.0 | 6~9 | 2×3.0 | 2100 |
鬥式物料提升機工作原理
螺旋物料提升機工作原理
振動式物料提升機工作原理
帶式物料提升機結構圖紙
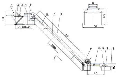
Z型物料提升機結構圖
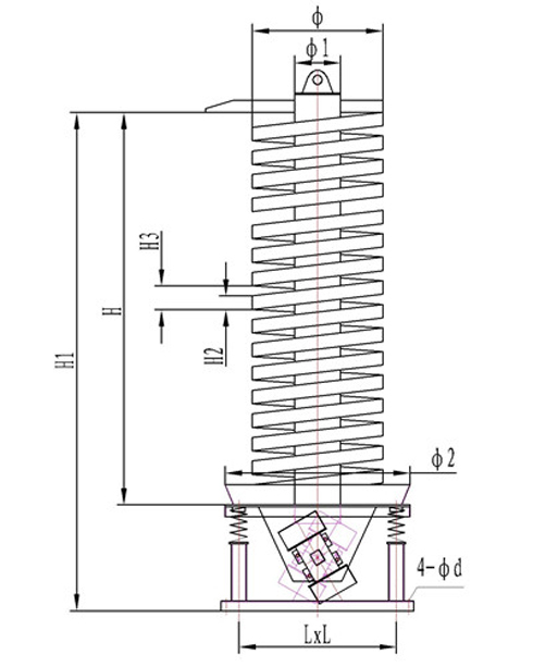
垂直式物料提升機結構圖
鬥式物料提升機結構圖
螺旋式物料提升機結構圖
Copyright(C) 豫ICP備18015440號